WZMACNIACZ LUXMAN L-190 - MODYFIKACJA 2
DLACZEGO
Moja pierwsza modyfikacja wzmacniacza Luxman L-190, polegająca na kompletnym przebudowaniu sekcji zasilania (opis tutaj), pomimo, że okazała się bardzo udaną, paradoksalnie spowodowała, że zacząłem postrzegać ten wzmacniacz, jako obiekt kolejnych potencjalnych eksperymentów, mających na celu poprawę brzmienia. Zapyta ktoś: "co tam znowu poprawiać, przecież pisałeś, że jest miodzio?". Otóż w ostatnim czasie często korzystam ze wzmacniacza w połączeniu z moimi ulubionymi słuchawkami Koss UR-40 i pomimo, że dźwięk reprodukowany przez Luxmana jest naprawdę wysokiej jakości, to jednak zacząłem odczuwać pewien niedosyt...
Koss'y są dosyć jasne i przestrzenne; podłączone do źródła o neutralnym brzmieniu, odpowiednimi dźwiękami potrafią przewiercić głowę na wylot (w pozytywnym znaczeniu tego sformułowania). W połączeniu z Luxem zachowują się jednak nieco odmiennie - scena kurczy się i w dźwięku zaczyna brakować przestrzeni... Postanowiłem więc spróbować coś z tym zrobić.
Druga rzecz, jakiej brakowało mi w dźwięku Luxa, to masa. Osobiście preferuję lekką dominację dolnych rejestrów, o częstotliwościach bliskich dolnej granicy słyszalnego zakresu, nad resztą pasma, czego Luxman nie jest w stanie zapewnić przy zachowaniu oryginalnej topologii.
Chciałbym przy tym zaznaczyć, że opisuję moje osobiste, a tym samym subiektywne, odczucia, które nie muszą pokrywać się z opiniami innych. Tak, czy inaczej, postanowiłem po raz kolejny popsuć mój wzmacniacz.
MODYFIKACJA
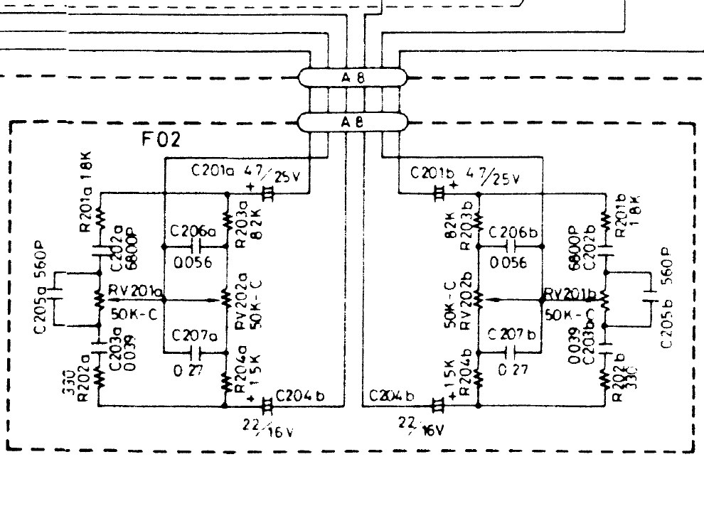
Układ regulacji barwy dźwięku, od którego w głównej mierze zależy brzmienie wzmacniacza, został wbudowany w tor sprzężenia zwrotnego końcówki mocy. Poniżej zamieszczam fragment schematu ideowego, przedstawiający wspomniany układ.
Analizując pojedynczy kanał (niech to bedzie kanał A), za kształt charakterystyki częstotliwościowej w zakresie tonów niskich odpowiada potencjometr RV202a, wraz z elementami R203a, R204a, C206a, C207a, natomiast charakter brzmienia w zakresie tonów wysokich kształtuje potencjometr RV201a oraz elementy R201a, R202a i C205a.
Przyjąłem zasadę, że modyfikację powinienem wykonać w taki sposób, aby w neutralnym położeniu potencjometrów regulacji barwy dźwęku nie nastąpiła znacząca różnica w brzmieniu w stosunku do układu oryginalnego, natomiast założone przeze mnie rezultaty możliwe były do uzyskania przez odpowiednią regulację ww. potencjometrami.
Potrzebny niższy bas... W oryginalnej topologii częstotliwość graniczna układu regulacji niskich częstotliwości jest stosunkowo wysoka, przez co, w przypadku kolumn o "kiepskim dole", lub jak w moim przypadku - jasnych słuchawkach, zwiększając poziom niskich tonów można odnieść wrażenie "dudnienia" basu. Dlatego też postanowiłem pójść w kierunku minimalizacji tego zjawiska. Aby przesunąć zakres regulacji tonów niskich w stronę niższych częstotliwości, zastąpiłem oryginalne elementy innnymi, o następujących wartościach: R203a/b - 5,6k, R204a/b - 1k, C206a/b - 150nF, C207a/b - 680nF. W efekcie, zwiększenie poziomu tonów niskich odbywa się w zakresie niższych rejestrów w porównaniu do układu oryginalnego.
Co z przestrzenią? Po przeanalizowaniu schematu w zakresie regulacji tonów wysokich, odkryłem dwie interesujące rzeczy. Po pierwsze - kondensator C205a/b mocno ogranicza pasmo od góry. Po drugie - analogicznie do układu regulacji tonów niskich, częstotliwość graniczna, przy której zaczyna się regulacja, jest stosunkowo niska, przez co, w powiązaniu z ww. ograniczeniem pasma, ewentualne zwiększenie poziomu tonów wysokich powoduje wrażenie podbicia w zakresie niskiej góry / wysokiego środka. Odczuwalną poprawę brzmienia w tym zakresie (w moim subiektywnym odczuciu) udało mi się osiągnąć poprzez zmianę wartości elementów: C205a/b - 100p, C202a/b - 4,7nF, C203a/b - 22nF. Modyfikacja spowodowała przesunięcie zakresu regulacji w kierunku tonów wyższych, a także poszerzenie pasma przenoszenia wzmacniacza.
Technicznie, wykonanie powyższych zmian nie było trudne. Przedmiotowy układ znajduje się na osobnej małej płytce, przytwierdzonej bezpośrednio do wyprowadzeń potencjometrów. Poniżej prezentuję fotkę tejże płytki już po wykonaniu modyfikacji. Kondensatory C207a/b nie są widoczne, ponieważ ze względu na ograniczone miejsce, wlutowałem je od spodu.
EFEKT
Najkrócej rzecz ujmując, przy odpowiednich ustawienia potencjometrów korekcji barwy, w dźwięku pojawia się masa i przetrzeń, których mi brakowało. Mój niedosyt został zaspokojony i odsłuch odbywa się teraz z dużo większą przyjemnością, bez uczucia, że czegoś brakuje.
Podkreslę, że modyfikację wykonałem z premedytacją i pełną świadomością tego, że wpływając na brzmienie wzmacniacza, w mniejszym lub większym stopniu zaburzam koncepcję opracowaną i zrealizowaną przez inżynierów Luxman'a. Wiem, że to, co osobiście odczuwam jako poprawę brzmienia, wcale nie musi oznaczać tego samego dla innych. Nie twierdzę też, że moja modyfikacja stanowi złoty środek i sprawdzi się w przypadku wszystkich konfiguracji czy preferencji słuchowych, jednakże ze swojej strony zachęcam do eksperymentów, bo w Luxmanach drzemie potencjał... :)
Autor: Marcin Jonak (nyquist)

